На стартовую страницу сайта
 
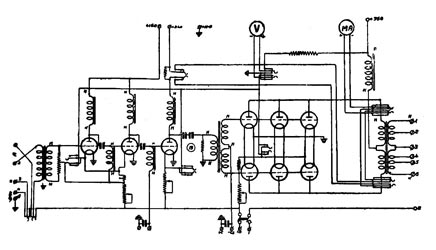
Усилитель предварительный НЧ - "УП-6" выпускался с 1931 года выпускал завод № 2 НУПП НКПТ. Усилитель предварительный "УП-6" является модернизацией предыдущих усилителей типа "УП-3" и "УП-3Н", но без оконечных каскадов. Усилитель "УП-6" собран на 9-ти радиолампах и предназначен для предварительного усиления сигналов с приёмника и микрофона и раскачки мощных оконечных усилителей радиоузлов.

Изображения предварительного усилителя "УП-6" с сайта https://retrotexnika.ru/.
 

---

i