На стартовую страницу сайта
 
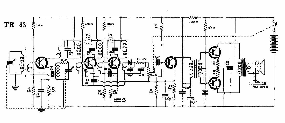
Портативный радиоприёмник "Sony TR-63" выпускался с 1957 года компанией "Tokyo Tsushin Kogyo", позднее "Sony" и её дочерними предприятиями. Супергетеродин на 6-ти транзисторах и 2-х диодах. Диапазон АМ - 535...1620 кГц. ПЧ 455 кГц. Чувствительность ~ 3 мВ/м. Номинальная выходная мощность 25 мВт. Питание 9 вольт. Ток покоя 2...3 мА. Габариты 112х71х32 мм. Вес 380 гр.    Видеосюжет № 1Видеосюжет № 2.
 

-------------

i