На стартовую страницу сайта
 
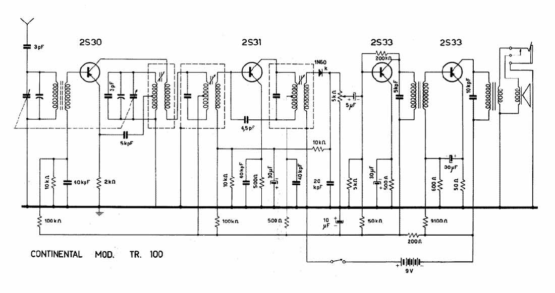
Портативный транзисторный радиоприёмник "Continental TR-100" выпускался предположительно с 1959 года американской компанией "Continental Merchandise". Супергетеродин на 4-х транзисторах. Диапазон АМ 535...1605 кГц. ПЧ 455 кГц. Чувствительность 5 мВ/м. Селективность 14 дБ. Максимальная выходная мощность 80 мВт. Питание - батарея 9 вольт (типа нашей Кроны). Габариты - 108x67x35 мм. Масса 230 грамм.

Фотографии и информация (частично) о радиоприёмнике с сайтов http://www.abetterpage.com/ и https://www.flickr.com/.
 

---------

i