На стартовую страницу сайта
 
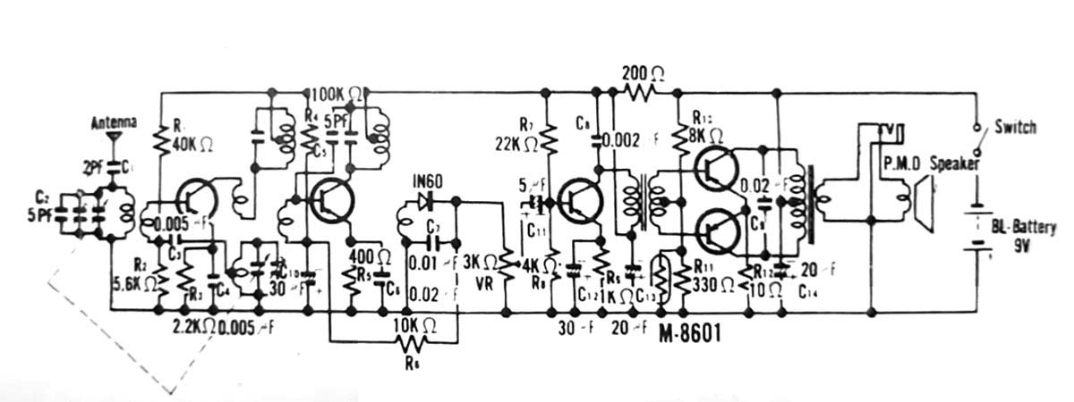
Портативный радиоприёмник "Channel Master 6503" выпускался с 1959 года двумя компаниями, японской "Sony" и американской "Channel Master". Супергетеродин на 5-ти транзисторах. Диапаон АМ - 540...1600 кГц. ПЧ - 455 кГц. Питание от батареи 9 вольт. Из-за малого количества транзисторов приёмник имел малую чувствительность (~ 5 мВ/м) и достаточную громкость только в небольшом радиусе от радиостанции. Селективность тоже не превышала 12 дБ. Габариты приёмника 67x108x32 мм.                 Видеосюжет о модели.       Фото и инфомация с сайтов http://www.abetterpage.com/, https://jamesbutters.com/ и https://www.worthpoint.com/.
 

-------------

i