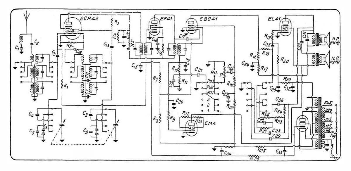
Сетевой ламповый радиоприёмник "Excelsior
52" выпускался с 1951 года компанией "SNR", Франция, Париж. "SNR" - расшифровывается
как "Новое Радиовещательное Общество". Радиоприёмник создан на основе модели
"Excelsior 52" 1950 года, который работал только в диапазоне средних волн.
Выпускался ли такой приёмник серийно я не установил, но вот его электрическая
схема имеется. Описываемый радиоприёмник "Excelsior 52" собран на 6 радиолампах
и работает в диапазонах ДВ (GO) от 1000 до 2000 м., СВ (PO) от 178 до 578
м., обзорном диапазоне КВ (OC) от 16,7 до 50,9 м., первом КВ поддиапазоне
(BE) от 25 до 26 м. и во втором обзорном КВ поддиапазоне (BE) от 46,5 до
51 м.. ПЧ - 465 кГц. Селективность на всех диапазоноах около 24 дБ. Чувствительность
так же на всех диапазонах около 150 мкВ. Громкоговорители имеют диаметр
19 см. Максимальная выходная мощность 3 Вт. Диапазон воспроизводимых звуковых
частот 90...4500 Гц. Питание от сети переменного тока 50 Гц, напряжением
110, 125, 145, 220 или 245 В. Габариты 570x380x260 мм. Масса 10,4 кг. За
время выпуска приёмник модернизировали. На его базе в СССР был создан радиоприёмник
"Звезда-54".
Страница
радиоприёмника "Звезда-54" на сайте.
-
-
-
-
-
-
-
-
-
-
-
-
-
-