На стартовую страницу сайта
 
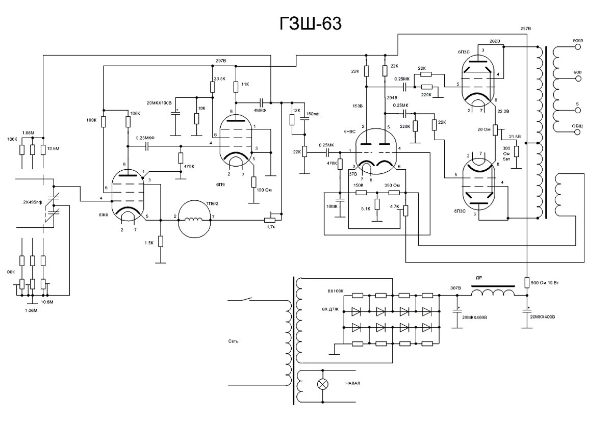
Генератор звуковой (школьный) "ГЗш-63" выпускал с 1963 года Московский завод "Физэлектроприбор". Генератор предназначен для учебных заведений и организаций. Диапазон звуковых частот 20...20000 Гц перекрывается тройным множителем значений х1, х10 и х100 Гц. Выходное напряжение плавно регулируемое. Имеется три выходных разъёма с сопротивлениями выхода (нагрузки) в 5 Ом, 600 Ом и 5 кОм.
 

Описание генератора в книге "Генератор звуковой (школьный) "ГЗш-63".      Фото генератора предоставил Алексей Лукьяненко. Москва.       Книгу по генератору предоставил Александр Корнеев.
 
 
 

-------------

i