На стартовую страницу сайта
 
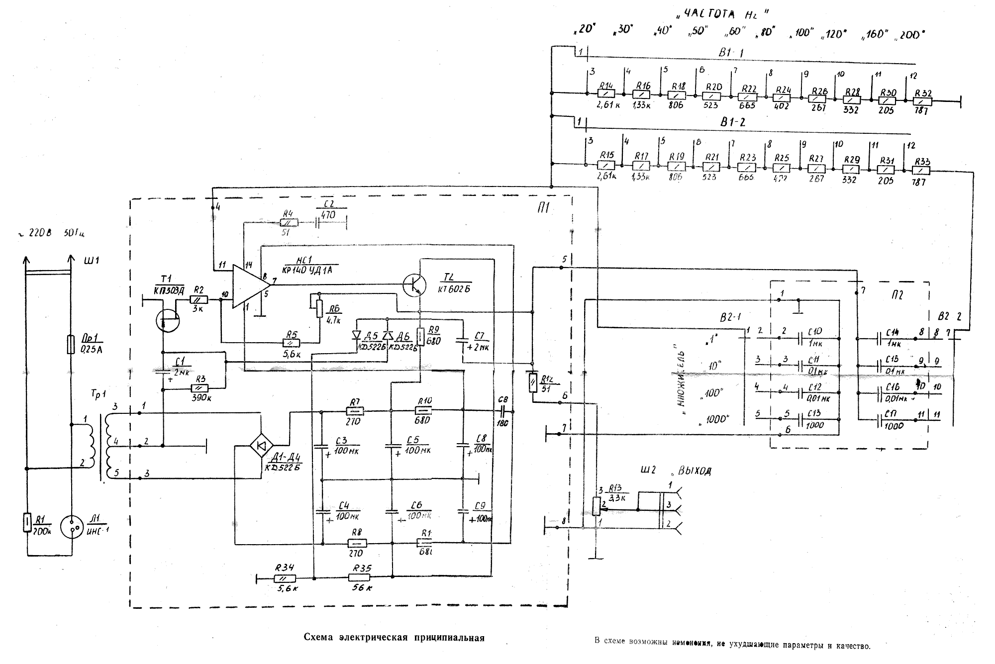
Генератор низкочастотный "ГРН-1" с 1985 года выпускал Вильнюсский завод РИП. Генератор применяется в радиолюбительской практике при настройке низкочастотных устройств. Диапазон генерируемых частот 20 Гц - 200 кГц. Точность установки частоты 3%. Коэффициент гармоник 3%. Неравномерность АЧХ в полосе частот 0,8 дБ. Максимальное выходное напряжение при нагрузке 600 Ом - 0,5 В. Питание сеть ~ 220 В.

-

-------

i