На стартовую страницу сайта
 
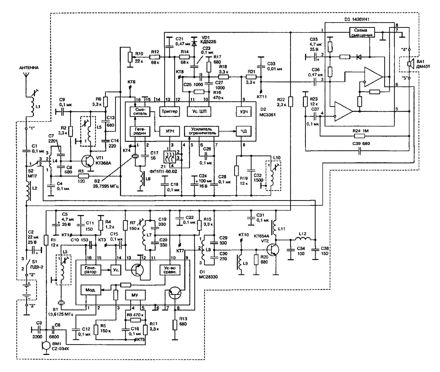
Детская радиостанция "Колибри" выпускалась с 1990 года. Радиоигрушка "Колибри" представляет собой малогабаритную ультракоротковолновую радиостанцию малого радиуса действия. С её помощью можно поддерживать радиосвязь с такой же игрушечной радиостанцией телефоном или телеграфом (азбукой "Морзе"). Основные ТХ: Радиус действия 70 м; рабочая частота 27, 14 МГц; источник питания - батарея "Крона"; габариты радиостанции 152х70х27 мм; масса 190 г. Цена 20 рублей 50 копеек. В 1991 года завод начал выпуск модернизированной радиостанции "Колибри-М", а в 1992 году "Колибри М-1". Об этих 2-х радиостанциях подробной информации пока нет.

Информация о радиостанции "Колибри" в журнале Радио № 2 за 1991 год.     Фотографии радиостанции с форума РТ-20.

---------

i