На стартовую страницу сайта
 
----

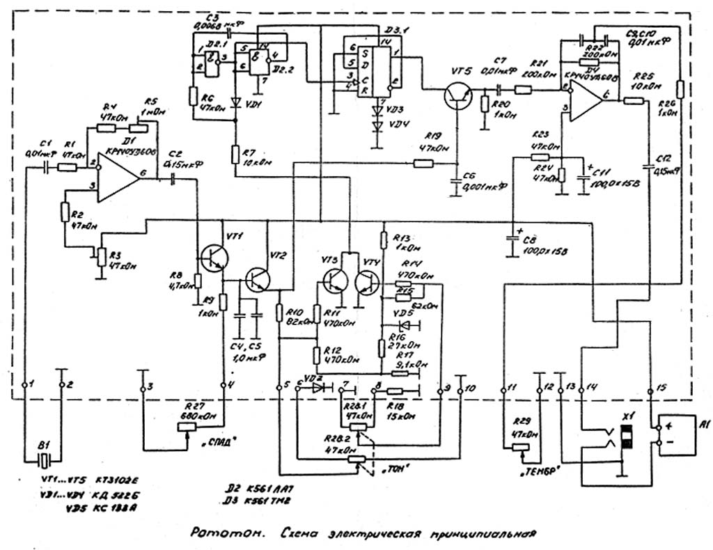
Устройство для получения звуковых эффектов "Лель РТ" выпускалось возможно с 1989 года Московским заводом счётно-аналитических машин имени В.Д.Калмыкова. Амплитудное значение
выходного напряжения -  2,4 В. Напряжение питания - 9 В. Потребляемый ток - 15 мА. Масса с батареей Крона - 0,6 кг. Габаритные размеры - 122x65x95 мм.      Видеосюжет об устройстве "Лель РТ".

i