На стартовую страницу сайта
 
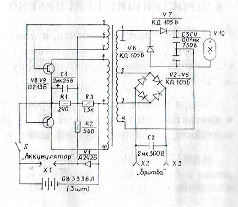
Светильник "Турист-Авто" выпускался с 1980 года. Яркий дневной свет - альтернатива лампам накаливания с желтоватым светом. Лампа "ЛБУ-8".

------------

i